Мы используем cookie для наилучшего представления нашего сайта. Подробнее об этом в Политике конфиденциальности.
Ок

Хасавюрт

Ваш город:
Хасавюрт (Республика Дагестан)?
Нет
Да
Каталог
Каталог Написать в WhatsApp
Мотоэкипировка

Выхлоп (короткая база) КВАДРОЦИКЛА AODES (ODES) 1000 ATV-S

Выхлоп (короткая база) КВАДРОЦИКЛА AODES (ODES) 1000 ATV-S в Хасавюрте: актуальный каталог, цены, фото, описание. Купите выхлоп (короткая база) квадроцикла aodes (odes) 1000 atv-s в кредит – оформите заявку онлайн за 1 минуту!

Оригинальные запчасти

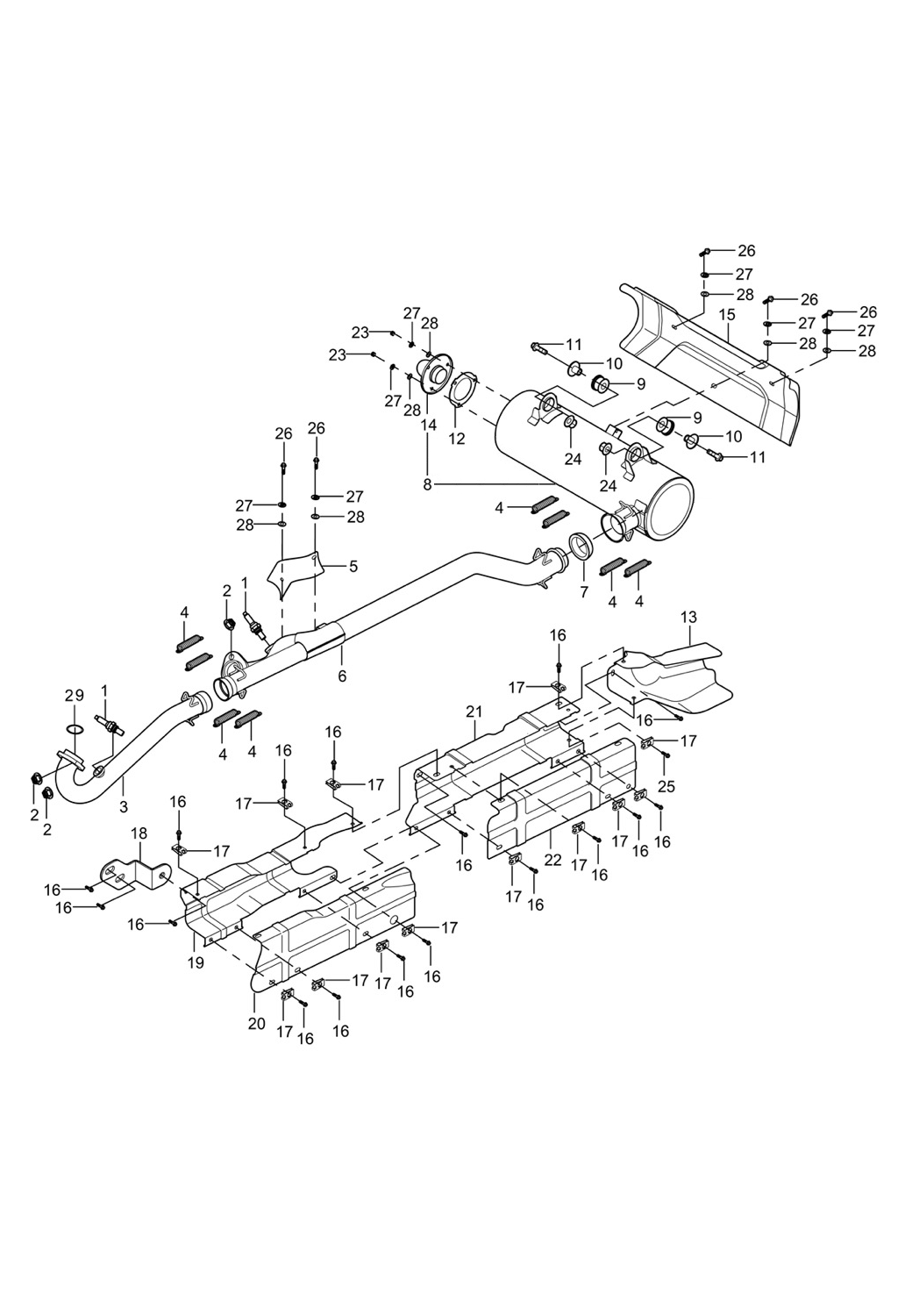
Артикул НАИМЕНОВАНИЕ Кол-во деталей в узле Примечание Наличие Цена Аналоги Фото
1 21040400701 Датчик кислородный AODES (ODES)

Под заказ

2

Под заказ

уточнить

Купить
2 17007010060 Труба выхлопная (1 цилиндр) (1000 CC) AODES (ODES)

Под заказ

1

Под заказ

уточнить

Купить
3 17007010340 Пружина стягивания выхлопных труб AODES (ODES)

Под заказ

8

Под заказ

уточнить

Купить
4 17007010290 Щиток выхлопной трубы (теплоизоляция) (1000 CC) AODES (ODES)

Под заказ

1

Под заказ

уточнить

Купить
5 17007010330 Труба выхлопная (2 цилиндр) (короткая база, 1000 CC) AODES (ODES)

Под заказ

1

Под заказ

уточнить

Купить
6 17007010170 Прокладка графитовая, коническая AODES (ODES)

Под заказ

1

Под заказ

уточнить

Купить
7 17007090000 Глушитель выхлопа (1000 CC) AODES (ODES)

Под заказ

1

Под заказ

уточнить

Купить
8 13607010140 Демпфер глушителя AODES (ODES)

Под заказ

2

Под заказ

уточнить

Купить
9 13607010190 Втулка дистанционная AODES (ODES)

Под заказ

2

Под заказ

уточнить

Купить
10 17007100820 Прокладка графитовая, плоская AODES (ODES)

Под заказ

1

Под заказ

уточнить

Купить
11 17007010310 Щиток выхлопной трубы (теплоизоляция) AODES (ODES)

Под заказ

1

Под заказ

уточнить

Купить
12 17007010770 Патрубок выхлопной отдельно не продается AODES (ODES)

Под заказ

1

Под заказ

уточнить

Купить
13 17007010780 Гайка - клипса М6 AODES (ODES)

Под заказ

19

Под заказ

уточнить

Купить
14 17007010760 Кронштейн щитка выхлопной трубы AODES (ODES)

Под заказ

1

Под заказ

уточнить

Купить
15 17007010380 Щиток выхлопной трубы (теплоизоляция) (1 цил. внутренний) AODES (ODES)

Под заказ

1

Под заказ

уточнить

Купить
16 17007010370 Щиток выхлопной трубы (теплоизоляция) (1 цил. внешний) AODES (ODES)

Под заказ

1

Под заказ

уточнить

Купить
17 17007010400 Щиток выхлопной трубы (теплоизоляция) (2 цил. внутренний) AODES (ODES)

Под заказ

1

Под заказ

уточнить

Купить
18 17007010390 Щиток выхлопной трубы (теплоизоляция) (2 цил. внешний) AODES (ODES)

Под заказ

1

Под заказ

уточнить

Купить
19 21040400101 Прокладка выхлопной трубы AODES (ODES)

Под заказ

2

Под заказ

уточнить

Купить

Нулевая цена не означает отсутствие товара. Оформите заказ, и менеджер сообщит вам цену и наличие товара, предварительно запросив их у поставщика

Главная Магазины
Корзина0
Профиль