Маркетплейс для
активного отдыха
Каталог товаров

Запчасти

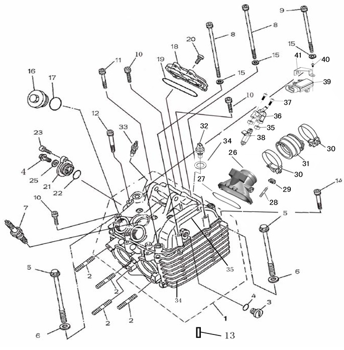
Головка блока цилиндра КВАДРОЦИКЛА STELS UTV 700 H EFI

Картинка

Нужна помощь менеджера?

Обратиться за помощью
Артикул Фото Наименование Кол-во деталей в узле Примечание Наличие Цена Аналоги
Сортировать:
По номеру
  • По номеру
  • По артикулу
  • По названию
  • По цене
Артикул Фото Наименование Кол-во деталей в узле Примечание Наличие Цена Аналоги
1 1. Арт - LU036543 Головка блока цилиндра (EFI) с крышкой 12000-F39-0002 Головка блока цилиндра (EFI) с крышкой 12000-F39-0002 Кол-во деталей в узле: 1 1 Под заказ

Уточнить цену

Купить
2 2. Арт - LU031031 Шайба 12.3х18.0х1.5мм, медь 9503-123-180-15 Шайба 12.3х18.0х1.5мм, медь 9503-123-180-15 Кол-во деталей в узле: 1 1 Под заказ

Уточнить цену

Показать аналоги Купить
3 3. Арт - LU027495 Cu Washer Φ10×Φ20×2 90604-F39-0000 Cu Washer Φ10×Φ20×2 90604-F39-0000 Кол-во деталей в узле: 4 4 Под заказ

Уточнить цену

Купить
4 4. Арт - LU027493 Винт-заглушка смотрового отверстия, сталь 12371-F39-0000 Винт-заглушка смотрового отверстия, сталь 12371-F39-0000 Кол-во деталей в узле: 1 1 Под заказ

Уточнить цену

Купить
5 5. Арт - LU022767 Шайба 6.2х15х1.7мм, алюм.сплав 90601-F11-0000,90601-F18-0000,90603-F39-0000 Шайба 6.2х15х1.7мм, алюм.сплав 90601-F11-0000,90601-F18-0000,90603-F39-0000 Кол-во деталей в узле: 1 1 Под заказ

Уточнить цену

Купить
6 6. Арт - LU027492 Кольцо уплотнительное 13.4x2.35мм, резина 91217-F39-0000 Кольцо уплотнительное 13.4x2.35мм, резина 91217-F39-0000 Кол-во деталей в узле: 1 1 Под заказ

Уточнить цену

Купить
7 7. Арт - LU021056 Гайка с фланцем M6х1.0мм, сталь 9202-06-100 Гайка с фланцем M6х1.0мм, сталь 9202-06-100 Кол-во деталей в узле: 4 4 Под заказ

Уточнить цену

Купить
8 8. Арт - LU027513 Датчик температуры сист.охлаждения 36540-F39-0000 Датчик температуры сист.охлаждения 36540-F39-0000 Кол-во деталей в узле: 1 1 Под заказ

Уточнить цену

Купить
9 9. Арт - LU020991 Кольцо уплотнительное 64.4х3.1мм, резина A040001-00,91221-F39-0000 Кольцо уплотнительное 64.4х3.1мм, резина A040001-00,91221-F39-0000 Кол-во деталей в узле: 1 1 64.4X3.1 Под заказ

Уточнить цену

Купить
10 10. Арт - LU027505 Шайба 6.5х11.3х1.6мм, сталь 90602-F39-0000 Шайба 6.5х11.3х1.6мм, сталь 90602-F39-0000 Кол-во деталей в узле: 3 3 Под заказ

Уточнить цену

Купить
11 11. Арт - LU027500 Винт с цилиндр.головк.и шестигр.шлицем M6х1.0х 55мм, сталь 9132-06-055, GB/T70.1-2000 Винт с цилиндр.головк.и шестигр.шлицем M6х1.0х 55мм, сталь 9132-06-055, GB/T70.1-2000 Кол-во деталей в узле: 7 7 Под заказ

Уточнить цену

Купить
12 12. Арт - LU027041 Крышка клапанного механизма (впускн.клапана), алюмин.сплав 12361-F39-0000 Крышка клапанного механизма (впускн.клапана), алюмин.сплав 12361-F39-0000 Кол-во деталей в узле: 1 1 Под заказ

Уточнить цену

Купить
13 13. Арт - LU027509 Кольцо уплотнительное 71.5х3мм, резина 91202-F39-0000 Кольцо уплотнительное 71.5х3мм, резина 91202-F39-0000 Кол-во деталей в узле: 1 1 Под заказ

Уточнить цену

Купить
14 14. Арт - LU030036 Датчик температуры DELPHI15404280 36550-F68-0000 Датчик температуры DELPHI15404280 36550-F68-0000 Кол-во деталей в узле: 1 1 Под заказ

Уточнить цену

Купить
15 15. Арт - LU027088 Крышка распред.вала, алюмин.сплав 12211-F39-0000 Крышка распред.вала, алюмин.сплав 12211-F39-0000 Кол-во деталей в узле: 1 1 Под заказ

Уточнить цену

Купить
16 16. Арт - LU020140 Кольцо уплотнительное 18.7х.2.45мм, резина 91203-F39-0000 Кольцо уплотнительное 18.7х.2.45мм, резина 91203-F39-0000 Кол-во деталей в узле: 1 1 Под заказ

Уточнить цену

Купить
17 17. Арт - LU027498 Винт с цилиндр.головк.и шестигр.шлицем M6х1.0х 40мм, сталь 70.1-6-40,205064044 Винт с цилиндр.головк.и шестигр.шлицем M6х1.0х 40мм, сталь 70.1-6-40,205064044 Кол-во деталей в узле: 2 2 Под заказ

Уточнить цену

Купить
18 18. Арт - LU036544 Коллектор впускной (EFI), пластик 14800-F39-0000 Коллектор впускной (EFI), пластик 14800-F39-0000 Кол-во деталей в узле: 1 1 Под заказ

Уточнить цену

Купить
19 19. Арт - LU027512 Хомут 40х50мм, пластик 90402-F39-0000 Хомут 40х50мм, пластик 90402-F39-0000 Кол-во деталей в узле: 2 2 Под заказ

Уточнить цену

Купить
20 20. Арт - LU036044 Патрубок корпуса дроссельной заслонки (EFI), резина 14801-F68-0000_ Патрубок корпуса дроссельной заслонки (EFI), резина 14801-F68-0000_ Кол-во деталей в узле: 1 1 Под заказ

Уточнить цену

Купить
21 21. Арт - LU036546 Шайба 6х2.0мм, медь 25160-F39-0000 Шайба 6х2.0мм, медь 25160-F39-0000 Кол-во деталей в узле: 2 2 Под заказ

Уточнить цену

Купить
22 22. Арт - LU030097 Скоба крепления топливной форсунки 16430-F68-0000 Скоба крепления топливной форсунки 16430-F68-0000 Кол-во деталей в узле: 1 1 Под заказ

Уточнить цену

Купить
23 23. Арт - LU036545 Форсунка топливная 16400-F39-0000 Форсунка топливная 16400-F39-0000 Кол-во деталей в узле: 1 1 Под заказ

Уточнить цену

Купить
24 24. Арт - LU030094 Датчик давления и температуры смеси 16723-F68-0000 Датчик давления и температуры смеси 16723-F68-0000 Кол-во деталей в узле: 1 1 Под заказ

Уточнить цену

Купить
25 25. Арт - LU036547 Скоба крепления датчика давления и температуры смеси, сталь 11109-F68-0000 Скоба крепления датчика давления и температуры смеси, сталь 11109-F68-0000 Кол-во деталей в узле: 1 1 Под заказ

Уточнить цену

Купить
26 26. Арт - LU027497 Винт с цилиндр.головк.и шестигр.шлицем M6х1.0х115мм, сталь 70.1-6-115 Винт с цилиндр.головк.и шестигр.шлицем M6х1.0х115мм, сталь 70.1-6-115 Кол-во деталей в узле: 1 1 Под заказ

Уточнить цену

Купить