Мы используем cookie для наилучшего представления нашего сайта. Подробнее об этом в Политике конфиденциальности.
Ок

Хасавюрт

Ваш город:
Хасавюрт (Республика Дагестан)?
Нет
Да
Каталог
Каталог Написать в WhatsApp
Мотоэкипировка

Выхлопной коллектор и крышки 2-Х ТАКТНОГО ПЛМ MERCURY 60 Серийный номер от 6428681 до 0B122929

Выхлопной коллектор и крышки 2-Х ТАКТНОГО ПЛМ MERCURY 60 Серийный номер от 6428681 до 0B122929 в Хасавюрте: актуальный каталог, цены, фото, описание. Купите выхлопной коллектор и крышки 2-х тактного плм mercury 60 серийный номер от 6428681 до 0b122929 в кредит – оформите заявку онлайн за 1 минуту!

Оригинальные запчасти

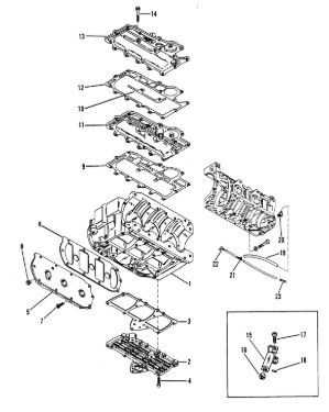
Артикул НАИМЕНОВАНИЕ Кол-во деталей в узле Примечание Наличие Цена Аналоги Фото
1 8362A11 CYLINDER BLOCK ASSMEBLY

Под заказ

1

Под заказ

уточнить

Купить
2 99523A1 COVER ASSEMBLY, TRANSFER

Под заказ

1

Под заказ

уточнить

Купить
3 768621 GASKET

Под заказ

1

Под заказ

уточнить

Купить
4 38837 SCREW

Под заказ

11

Под заказ

уточнить

Купить
5 8364A1 COVER, CYLINDER BLOCK

Под заказ

1

Под заказ

уточнить

Купить
6 437792 Прокладка (GASKET)

Под заказ

1

Под заказ

уточнить

Купить
7 76596 Болт (SCREW, SUPPORT BRACKET 1-1/4")

Под заказ

6

Под заказ

уточнить

Купить
8 328022 Заглушка (PIPE PLUG)

Под заказ

1

Под заказ

уточнить

Купить
9 695252 GASKET, BAFFLE PLATE TO CYLINDER BLOCK

Под заказ

1

Под заказ

уточнить

Купить
10 703351 GASKET, BAFFLE PLATE TO COVER

Под заказ

1

Под заказ

уточнить

Купить
11 69579 PLATE, BAFFLE - EXHAUST MANIFOLD

Под заказ

1

Под заказ

уточнить

Купить
12 695242 GASKET, PLATE TO EXHAUST MANIFOLD COVER

Под заказ

1

Под заказ

уточнить

Купить
13 78529 COVER, EXHAUST MANIFOLD

Под заказ

1

Под заказ

уточнить

Купить
14 74824 SCREW, CRANKCASE TO CYLINDER BLOCK (1-1/4")

Под заказ

15

Под заказ

уточнить

Купить
15 70602 SCREW, PLATE/MANIFOLD COVER (2")

Под заказ

2

Под заказ

уточнить

Купить
16 33386A3 SWITCH ASSEMLBY, MERCURY (ELECTRIC)

Под заказ

1

Под заказ

уточнить

Купить
17 45076 Гайка (NUT@10)

Под заказ

1

Под заказ

уточнить

Купить
18 37655 SCREW

Под заказ

1

Под заказ

уточнить

Купить
19 36242 ROLL PIN, MERCURY SWITCH

Под заказ

2

Под заказ

уточнить

Купить
20 892024122 Шланг обратного клапана (TUBING-20 FEET)

Под заказ

3

Под заказ

уточнить

Купить
21 428641 FITTING, Check Valve

Под заказ

1

Под заказ

уточнить

Купить
22 59169003 Тройник (FITTING @2)

Под заказ

1

Под заказ

уточнить

Купить
23 15133 ELBOW, BLEED HOSE (45 DEG.)

Под заказ

1

Под заказ

уточнить

Купить
24 428651 VALVE-CHECK

Под заказ

1

Под заказ

уточнить

Купить
25 88449A32 GASKET SET

Под заказ

1

Под заказ

уточнить

Купить

Нулевая цена не означает отсутствие товара. Оформите заказ, и менеджер сообщит вам цену и наличие товара, предварительно запросив их у поставщика

Главная Магазины
Корзина0
Профиль