Мы используем cookie для наилучшего представления нашего сайта. Подробнее об этом в Политике конфиденциальности.
Ок

Хасавюрт

Ваш город:
Хасавюрт (Республика Дагестан)?
Нет
Да
Каталог
Каталог Написать в WhatsApp
Мотоэкипировка

Выхлопная труба 2-Х ТАКТНОГО ПЛМ MERCURY 90 Серийный номер от 0C222000 до 0D283221

Выхлопная труба 2-Х ТАКТНОГО ПЛМ MERCURY 90 Серийный номер от 0C222000 до 0D283221 в Хасавюрте: актуальный каталог, цены, фото, описание. Купите выхлопная труба 2-х тактного плм mercury 90 серийный номер от 0c222000 до 0d283221 в кредит – оформите заявку онлайн за 1 минуту!

Оригинальные запчасти

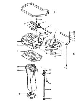
Артикул НАИМЕНОВАНИЕ Кол-во деталей в узле Примечание Наличие Цена Аналоги Фото
1 42954A3 PLATE ASSEMBLY, Exhaust

Под заказ

1

Под заказ

уточнить

Купить
2 23784 Втулка

Под заказ

5

Под заказ

уточнить

Купить
3 42939 SEAL, LOWER COWL

Под заказ

1

Под заказ

уточнить

Купить
4 8M0021331 MOUNT

Под заказ

1

Под заказ

уточнить

Купить
5 4010750 SCREW, CLAMP

Под заказ

4

Под заказ

уточнить

Купить
6 898487 SCREW, (M12 x 175)

Под заказ

2

Под заказ

уточнить

Купить
7 12515 SCREW, UPPER MOUNT (HANDLE MODELS)

Под заказ

2

Под заказ

уточнить

Купить
8 32834 Шайба (WASHER @5)

Под заказ

2

Под заказ

уточнить

Купить
9 896963 Гайка (NUT)

Под заказ

2

Под заказ

уточнить

Купить
10 996642 Топливный фиттинг (ELBOW)

Под заказ

1

Под заказ

уточнить

Купить
11 40011158 SCREW, (M8 x 70)

Под заказ

1

Под заказ

уточнить

Купить
12 430086 Прокладка (GASKET)

Под заказ

1

Под заказ

уточнить

Купить
13 8141281 EXHAUST TUBE

Под заказ

1

Под заказ

уточнить

Купить
14 40011151 Болт (SCREW, M8 x 35)

Под заказ

6

Под заказ

уточнить

Купить
15 8M0039075 SEAL

Под заказ

1

Под заказ

уточнить

Купить
16 430141 WATER TUBE (LONG)

Под заказ

1

Под заказ

уточнить

Купить
17 99019 CLAMP, WATER TUBE SEAL

Под заказ

1

Под заказ

уточнить

Купить
18 42941001 SEAL, Water Tube

Под заказ

1

Под заказ

уточнить

Купить
19 93221002 Втулка резиновая (GROMMET)

Под заказ

1

Под заказ

уточнить

Купить
20 42953A2 BRACKET ASSEMBLY, Lower, Black

Под заказ

1

Под заказ

уточнить

Купить
21 42953A3 BRACKET ASSEMBLY, Lower, Gray

Под заказ

1

Под заказ

уточнить

Купить
22 43405 SEAL, LOWER COWL BRACKET

Под заказ

1

Под заказ

уточнить

Купить
23 81742750 SCREW, (M8 x 50)

Под заказ

3

Под заказ

уточнить

Купить
24 48237 Втулка

Под заказ

1

Под заказ

уточнить

Купить
25 79932A9 SHIFT SHAFT ASSEMBLY (UPPER)

Под заказ

1

Под заказ

уточнить

Купить
26 42912A1 SHIFT LINK

Под заказ

1

Под заказ

уточнить

Купить
27 48475 Втулка (BUSHING)

Под заказ

2

Под заказ

уточнить

Купить
28 42994 BUSHING

Под заказ

1

Под заказ

уточнить

Купить
29 29720 WASHER, WAVE - SHIFT SHAFT TO LINK

Под заказ

1

Под заказ

уточнить

Купить
30 24664 WASHER

Под заказ

1

Под заказ

уточнить

Купить
31 401386 Гайка (NUT-M6 HEX, NYL I)

Под заказ

1

Под заказ

уточнить

Купить
32 813745 Шайба (SPACER)

Под заказ

1

Под заказ

уточнить

Купить
33 43053 COUPLING, SHIFT SHAFT (NON POWER TRIM)

Под заказ

1

Под заказ

уточнить

Купить
34 43585 Муфта (COUPLING)

Под заказ

1

Под заказ

уточнить

Купить
35 19564001 GROMMET

Под заказ

1

Под заказ

уточнить

Купить

Нулевая цена не означает отсутствие товара. Оформите заказ, и менеджер сообщит вам цену и наличие товара, предварительно запросив их у поставщика

Главная Магазины
Корзина0
Профиль