Мы используем cookie для наилучшего представления нашего сайта. Подробнее об этом в Политике конфиденциальности.
Ок

Хасавюрт

Ваш город:
Хасавюрт (Республика Дагестан)?
Нет
Да
Каталог
Каталог Написать в WhatsApp
Мотоэкипировка

Электрические компоненты, жгут проводов двигателя 4-Х ТАКТНОГО ПЛМ MERCURY 100 Серийный номер от 1B227000 до 1B366822

Электрические компоненты, жгут проводов двигателя 4-Х ТАКТНОГО ПЛМ MERCURY 100 Серийный номер от 1B227000 до 1B366822 в Хасавюрте: актуальный каталог, цены, фото, описание. Купите электрические компоненты, жгут проводов двигателя 4-х тактного плм mercury 100 серийный номер от 1b227000 до 1b366822 в кредит – оформите заявку онлайн за 1 минуту!

Оригинальные запчасти

Артикул НАИМЕНОВАНИЕ Кол-во деталей в узле Примечание Наличие Цена Аналоги Фото
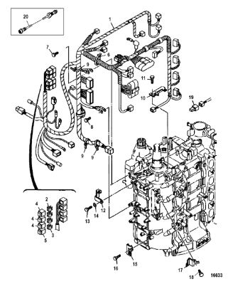
1 881364T03 HARNESS ASSEMBLY, Engine

Под заказ

1

Под заказ

уточнить

Купить
2 881364A07 HARNESS ASSEMBLY, Engine

Под заказ

1

Под заказ

уточнить

Купить
3 804291 *** Предохранитель 20А (FUSE-20A)

Под заказ

6

Под заказ

уточнить

Купить
4 80429110 *** Предохранитель 30А (FUSE-30A)

Под заказ

2

Под заказ

уточнить

Купить
5 891824010 COVER, Fuse

Под заказ

3

Под заказ

уточнить

Купить
6 891824020 COVER, Fuse

Под заказ

1

Под заказ

уточнить

Купить
7 881530002 CLAMP

Под заказ

1

Под заказ

уточнить

Купить
8 804604 BOLT, (M6 x 20)

Под заказ

1

Под заказ

уточнить

Купить
9 8M0059045 PLATE

Под заказ

1

Под заказ

уточнить

Купить
10 804602 BOLT, (M6 x 12)

Под заказ

1

Под заказ

уточнить

Купить
11 8M0059044 BRACKET

Под заказ

1

Под заказ

уточнить

Купить
12 84368M BOLT

Под заказ

1

Под заказ

уточнить

Купить
13 82214M Шайба (WASHER)

Под заказ

1

Под заказ

уточнить

Купить
14 8M0059047 PLATE

Под заказ

1

Под заказ

уточнить

Купить
15 8M0059046 PLATE

Под заказ

1

Под заказ

уточнить

Купить
16 888326001 COVER

Под заказ

1

Под заказ

уточнить

Купить
17 15976M EXTENSION

Под заказ

1

Под заказ

уточнить

Купить
18 8M0094898 P/H 75-90 4S

Под заказ

1

Под заказ

уточнить

Купить

Нулевая цена не означает отсутствие товара. Оформите заказ, и менеджер сообщит вам цену и наличие товара, предварительно запросив их у поставщика

Главная Магазины
Корзина0
Профиль