Каталог
Каталог Написать в WhatsApp
Мотоэкипировка

Компоненты ручки переключения передач 4-Х ТАКТНОГО ПЛМ MERCURY 135 Серийный номер от 1B517159 и выше

Компоненты ручки переключения передач 4-Х ТАКТНОГО ПЛМ MERCURY 135 Серийный номер от 1B517159 и выше в Хасавюрте: актуальный каталог, цены, фото, описание. Купите компоненты ручки переключения передач 4-х тактного плм mercury 135 серийный номер от 1b517159 и выше в кредит – оформите заявку онлайн за 1 минуту!

Оригинальные запчасти

Артикул НАИМЕНОВАНИЕ Кол-во деталей в узле Примечание Наличие Цена Аналоги Фото
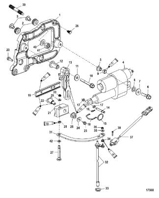
1 895739T BRACKET, Shift

Под заказ

1

Под заказ

уточнить

Купить
2 855362001 Заглушка (GROMMET)

Под заказ

4

Под заказ

уточнить

Купить
3 855364 Втулка (BUSHING)

Под заказ

4

Под заказ

уточнить

Купить
4 864289A04 SHIFT ACTUATOR

Под заказ

1

Под заказ

уточнить

Купить
5 884532001 BUSHING

Под заказ

1

Под заказ

уточнить

Купить
6 81893435 SCREW, (M8 x 35)

Под заказ

1

Под заказ

уточнить

Купить
7 898097 WASHER

Под заказ

1

Под заказ

уточнить

Купить
8 889661 WASHER, Rubber

Под заказ

1

Под заказ

уточнить

Купить
9 888589 WEAR SLEEVE

Под заказ

1

Под заказ

уточнить

Купить
10 884554 BUSHING

Под заказ

1

Под заказ

уточнить

Купить
11 895737 BELL CRANK

Под заказ

1

Под заказ

уточнить

Купить
12 895736 PIN

Под заказ

1

Под заказ

уточнить

Купить
13 885569 SPLIT RING

Под заказ

1

Под заказ

уточнить

Купить
14 884599 SPACER

Под заказ

2

Под заказ

уточнить

Купить
15 88807A6 WIRE, SOLENOID SCREW (BLACK)

Под заказ

1

Под заказ

уточнить

Купить
16 896212 RAIL SHIFT SLIDE

Под заказ

1

Под заказ

уточнить

Купить
17 82155025 SCREW

Под заказ

2

Под заказ

уточнить

Купить
18 898053A01 SHIFT SLIDER KIT

Под заказ

1

Под заказ

уточнить

Купить
19 884555 BUSHING

Под заказ

1

Под заказ

уточнить

Купить
20 82104510 SCREW, (M5 x 10)

Под заказ

1

Под заказ

уточнить

Купить
21 65567 WASHER, TOP COWL CATCH (UPPER)

Под заказ

1

Под заказ

уточнить

Купить
22 887901 BUSHING

Под заказ

1

Под заказ

уточнить

Купить
23 828991T CLIP

Под заказ

1

Под заказ

уточнить

Купить
24 8M0025850 STUD (Included with Reference 21)

Под заказ

1

Под заказ

уточнить

Купить
25 896551 BUSHING

Под заказ

1

Под заказ

уточнить

Купить
26 35462 WASHER

Под заказ

1

Под заказ

уточнить

Купить
27 401386 Гайка (NUT-M6 HEX, NYL I)

Под заказ

1

Под заказ

уточнить

Купить
28 895742 SHIFT LINK

Под заказ

1

Под заказ

уточнить

Купить
29 8M0091613 LEVER

Под заказ

1

Под заказ

уточнить

Купить
30 8M0091614 LEVER

Под заказ

1

Под заказ

уточнить

Купить
31 74647 BUSHING, NYLON - SUPPORT PLATE

Под заказ

1

Под заказ

уточнить

Купить
32 8M0045046 Гайка (NUT, (M6) Stainless Steel)

Под заказ

1

Под заказ

уточнить

Купить
33 8M0052939 Кнопка нейтрали (SWITCH)

Под заказ

1

Под заказ

уточнить

Купить
34 88075020 Болт (SCREW)

Под заказ

2

Под заказ

уточнить

Купить
35 8M0022167 STUD

Под заказ

4

Под заказ

уточнить

Купить
36 401388 Гайка (NUT, M8)

Под заказ

4

Под заказ

уточнить

Купить
37 814806 Шайба (WASHER)

Под заказ

1

Под заказ

уточнить

Купить

Нулевая цена не означает отсутствие товара. Оформите заказ, и менеджер сообщит вам цену и наличие товара, предварительно запросив их у поставщика

Главная Магазины
Корзина0
Профиль