Мы используем cookie для наилучшего представления нашего сайта. Подробнее об этом в Политике конфиденциальности.
Ок

Хасавюрт

Ваш город:
Хасавюрт (Республика Дагестан)?
Нет
Да
Каталог
Каталог Написать в WhatsApp
Мотоэкипировка

Зарядный кулер / Шланги впускного коллектора 4-Х ТАКТНОГО ПЛМ MERCURY 135 Серийный номер от 1B517159 и выше

Зарядный кулер / Шланги впускного коллектора 4-Х ТАКТНОГО ПЛМ MERCURY 135 Серийный номер от 1B517159 и выше в Хасавюрте: актуальный каталог, цены, фото, описание. Купите зарядный кулер / шланги впускного коллектора 4-х тактного плм mercury 135 серийный номер от 1b517159 и выше в кредит – оформите заявку онлайн за 1 минуту!

Оригинальные запчасти

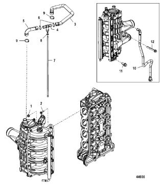
Артикул НАИМЕНОВАНИЕ Кол-во деталей в узле Примечание Наличие Цена Аналоги Фото
1 826292 Гайка (NUT, M10)

Под заказ

1

Под заказ

уточнить

Купить
2 8M0048051 Болт (SCREW, (M6 x 30) Stainless Steel)

Под заказ

5

Под заказ

уточнить

Купить
3 896255 HOSE

Под заказ

1

Под заказ

уточнить

Купить
4 8M6003382 FITTING ASY-FLUSH

Под заказ

1

Под заказ

уточнить

Купить
5 889592001 HOSE

Под заказ

1

Под заказ

уточнить

Купить
6 888988008 Хомут (CLAMP, (34.6 mm))

Под заказ

2

Под заказ

уточнить

Купить
7 896257 HOSE

Под заказ

1

Под заказ

уточнить

Купить
8 850181 TIE STRAP, (11.750 Inches)

Под заказ

1

Под заказ

уточнить

Купить
9 8M0087088 HOSE

Под заказ

1

Под заказ

уточнить

Купить
10 8M0103821 SCREW

Под заказ

1

Под заказ

уточнить

Купить
11 88552765 SCREW, (M10 x 65)

Под заказ

1

Под заказ

уточнить

Купить

Нулевая цена не означает отсутствие товара. Оформите заказ, и менеджер сообщит вам цену и наличие товара, предварительно запросив их у поставщика

Главная Магазины
Корзина0
Профиль