Мы используем cookie для наилучшего представления нашего сайта. Подробнее об этом в Политике конфиденциальности.
Ок

Хасавюрт

Ваш город:
Хасавюрт (Республика Дагестан)?
Нет
Да
Каталог
Каталог Написать в WhatsApp
Мотоэкипировка

Электрические компоненты 4-Х ТАКТНОГО ПЛМ MERCURY 30 Серийный номер от 0T409000 до 1B226999

Электрические компоненты 4-Х ТАКТНОГО ПЛМ MERCURY 30 Серийный номер от 0T409000 до 1B226999 в Хасавюрте: актуальный каталог, цены, фото, описание. Купите электрические компоненты 4-х тактного плм mercury 30 серийный номер от 0t409000 до 1b226999 в кредит – оформите заявку онлайн за 1 минуту!

Оригинальные запчасти

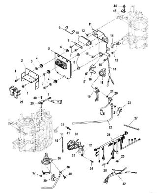
Артикул НАИМЕНОВАНИЕ Кол-во деталей в узле Примечание Наличие Цена Аналоги Фото
1 82129125 Болт (SCREW)

Под заказ

3

Под заказ

уточнить

Купить
2 8812902 PLATE

Под заказ

1

Под заказ

уточнить

Купить
3 4002316 Шайба (WASHER@5)

Под заказ

3

Под заказ

уточнить

Купить
4 834985 Втулка (GROMMET)

Под заказ

3

Под заказ

уточнить

Купить
5 898369T14 ECM

Под заказ

1

Под заказ

уточнить

Купить
6 898369T21 ECM

Под заказ

1

Под заказ

уточнить

Купить
7 898369T15 Блок управления F40-3cyl до 0P325499 (ECM)

Под заказ

1

Под заказ

уточнить

Купить
8 898369T22 Блок управления (ECM)

Под заказ

1

Под заказ

уточнить

Купить
9 898369T16 ECM

Под заказ

1

Под заказ

уточнить

Купить
10 898369T23 ECM

Под заказ

1

Под заказ

уточнить

Купить
11 856954 Втулка (BUSHING)

Под заказ

3

Под заказ

уточнить

Купить
12 856040 Шайба (BRACKET)

Под заказ

1

Под заказ

уточнить

Купить
13 92753 Держатель (RETAINER)

Под заказ

1

Под заказ

уточнить

Купить
14 856836001 Держатель (RETAINER)

Под заказ

1

Под заказ

уточнить

Купить
15 8M0009177 PLATE

Под заказ

1

Под заказ

уточнить

Купить
16 883834T01 Электрокабель (HARNESS)

Под заказ

1

Под заказ

уточнить

Купить
17 8M0007734 BRACE

Под заказ

1

Под заказ

уточнить

Купить
18 82129114 Болт (SCREW)

Под заказ

2

Под заказ

уточнить

Купить
19 893768 Кронштейн (PLATE, Solenoid)

Под заказ

1

Под заказ

уточнить

Купить
20 95643M *** Крепление соленоида (BRACKET)

Под заказ

1

Под заказ

уточнить

Купить
21 8M0098898 Соленоид стартера (SOLENOID-STARTER)

Под заказ

1

Под заказ

уточнить

Купить
22 93388A16 Электрокабель (CABLE)

Под заказ

1

Под заказ

уточнить

Купить
23 401386 Гайка (NUT-M6 HEX, NYL I)

Под заказ

2

Под заказ

уточнить

Купить
24 88439A9 Электрокабель (CABLE ASSY-POS)

Под заказ

1

Под заказ

уточнить

Купить
25 880786 Кожух (BOOT (RED))

Под заказ

1

Под заказ

уточнить

Купить
26 878132T3 ENGINE WIRING HARNESS

Под заказ

1

Под заказ

уточнить

Купить
27 878132T05 HARNESS ASSEMBLY, Engine

Под заказ

1

Под заказ

уточнить

Купить
28 832969T15 Предохранитель плавкий 15 А (FUSE, Mini - Blue)

Под заказ

1

Под заказ

уточнить

Купить
29 858754 Корпус (COVER, Fuse)

Под заказ

1

Под заказ

уточнить

Купить
30 13541 Заглушка (PLUG, Male)

Под заказ

1

Под заказ

уточнить

Купить
31 8M0082988 Датчик положения коленвала (SENSOR ASSY)

Под заказ

1

Под заказ

уточнить

Купить
32 40011107 Болт (SCREW)

Под заказ

2

Под заказ

уточнить

Купить
33 893640T01 Регулятор напряжения (VOLTAGE REGULATOR)

Под заказ

1

Под заказ

уточнить

Купить
34 893771 Кронштейн (BRACKET)

Под заказ

1

Под заказ

уточнить

Купить
35 8308971 Упорная планка (PAD-FOAM)

Под заказ

1

Под заказ

уточнить

Купить
36 8248329 Болт (SCREW)

Под заказ

2

Под заказ

уточнить

Купить
37 8M0098207 Датчик давления масла (SWITCH-PRESSURE)

Под заказ

1

Под заказ

уточнить

Купить
38 893887T Стартер (STARTER ASSY)

Под заказ

1

Под заказ

уточнить

Купить
39 94330 Болт (NUT)

Под заказ

1

Под заказ

уточнить

Купить
40 88439A4 Электрокабель (CABLE ASSY-NEG)

Под заказ

1

Под заказ

уточнить

Купить
41 65292 J CLIP

Под заказ

1

Под заказ

уточнить

Купить
42 40011153 Болт (SCREW)

Под заказ

3

Под заказ

уточнить

Купить
43 852375A6 Электропроводка (HARNESS ASSY-EXT)

Под заказ

1

Под заказ

уточнить

Купить
44 24836 CLIP, TRIGGER LEADS

Под заказ

1

Под заказ

уточнить

Купить
45 82239312 Болт М5х12 (SCREW)

Под заказ

1

Под заказ

уточнить

Купить
46 881863A1 CABLE

Под заказ

1

Под заказ

уточнить

Купить
47 803017T01 Двигательный блок 30-40 4-т 3-цил (POWERHEAD)

Под заказ

1

Под заказ

уточнить

Купить

Нулевая цена не означает отсутствие товара. Оформите заказ, и менеджер сообщит вам цену и наличие товара, предварительно запросив их у поставщика

Главная Магазины
Корзина0
Профиль