Мы используем cookie для наилучшего представления нашего сайта. Подробнее об этом в Политике конфиденциальности.
Ок

Хасавюрт

Ваш город:
Хасавюрт (Республика Дагестан)?
Нет
Да
Каталог
Каталог Написать в WhatsApp
Мотоэкипировка

Компоненты гидроподъема (Часть 1) 4-Х ТАКТНОГО ПЛМ MERCURY 30 Серийный номер от 0T409000 до 1B226999

Компоненты гидроподъема (Часть 1) 4-Х ТАКТНОГО ПЛМ MERCURY 30 Серийный номер от 0T409000 до 1B226999 в Хасавюрте: актуальный каталог, цены, фото, описание. Купите компоненты гидроподъема (часть 1) 4-х тактного плм mercury 30 серийный номер от 0t409000 до 1b226999 в кредит – оформите заявку онлайн за 1 минуту!

Оригинальные запчасти

Артикул НАИМЕНОВАНИЕ Кол-во деталей в узле Примечание Наличие Цена Аналоги Фото
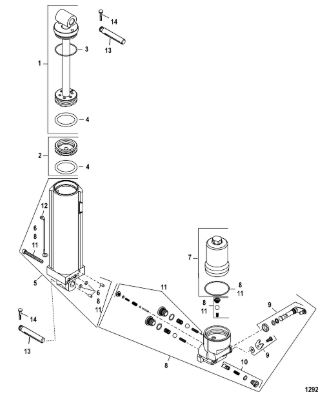
1 8M0118570 TRIM ASSY MANUAL

Под заказ

1

Под заказ

уточнить

Купить
2 8M0118572 SHOCK ROD KIT

Под заказ

1

Под заказ

уточнить

Купить
3 813430A1 MEMORY PISTON KIT (SEE FOOTNOTE & ILLUSTRATION)

Под заказ

1

Под заказ

уточнить

Купить
4 893917A01 REBUILD KIT, O-Ring

Под заказ

1

Под заказ

уточнить

Купить
5 893918A01 Цилиндр гидроподъема (CYLINDER KIT)

Под заказ

1

Под заказ

уточнить

Купить
6 893919A01 SCREW/SEAL KIT

Под заказ

1

Под заказ

уточнить

Купить
7 893920A01 ACCUMULATOR KIT

Под заказ

1

Под заказ

уточнить

Купить
8 893921A01 VALVE BODY KIT

Под заказ

1

Под заказ

уточнить

Купить
9 893923A01 CAM KIT

Под заказ

1

Под заказ

уточнить

Купить
10 893924A01 VALVE KIT

Под заказ

1

Под заказ

уточнить

Купить
11 893925A01 REPAIR KIT

Под заказ

1

Под заказ

уточнить

Купить
12 88238A13 Кабель (CABLE ASSEMBLY, Ground)

Под заказ

1

Под заказ

уточнить

Купить
13 893922A01 Масляное кольцо (O-RING KIT)

Под заказ

1

Под заказ

уточнить

Купить
14 19607 PIN, Cylinder Mount

Под заказ

2

Под заказ

уточнить

Купить
15 821539 Шпонка (PIN-TRILOBE)

Под заказ

2

Под заказ

уточнить

Купить

Нулевая цена не означает отсутствие товара. Оформите заказ, и менеджер сообщит вам цену и наличие товара, предварительно запросив их у поставщика

Главная Магазины
Корзина0
Профиль