Мы используем cookie для наилучшего представления нашего сайта. Подробнее об этом в Политике конфиденциальности.
Ок

Хасавюрт

Ваш город:
Хасавюрт (Республика Дагестан)?
Нет
Да
Каталог
Каталог Написать в WhatsApp
Мотоэкипировка

Впускной коллектор 4-Х ТАКТНОГО ПЛМ MERCURY 30 Серийный номер от 1C109093 и выше

Впускной коллектор 4-Х ТАКТНОГО ПЛМ MERCURY 30 Серийный номер от 1C109093 и выше в Хасавюрте: актуальный каталог, цены, фото, описание. Купите впускной коллектор 4-х тактного плм mercury 30 серийный номер от 1c109093 и выше в кредит – оформите заявку онлайн за 1 минуту!

Оригинальные запчасти

Артикул НАИМЕНОВАНИЕ Кол-во деталей в узле Примечание Наличие Цена Аналоги Фото
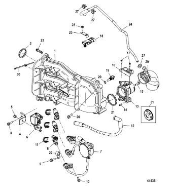
1 878139A07 MANIFOLD ASSEMBLY, Intake

Под заказ

1

Под заказ

уточнить

Купить
2 8M0029463 MANIFOLD, Intake

Под заказ

1

Под заказ

уточнить

Купить
3 879866 *Прокладка

Под заказ

1

Под заказ

уточнить

Купить
4 877834 BRACKET

Под заказ

1

Под заказ

уточнить

Купить
5 401366 Гайка (NUT, (M6))

Под заказ

1

Под заказ

уточнить

Купить
6 877805T Клапан соленоида (SOLENOID VALVE)

Под заказ

1

Под заказ

уточнить

Купить
7 879886T TFI SYSTEM

Под заказ

1

Под заказ

уточнить

Купить
8 883597 INJECTOR O-RING KIT, Injector

Под заказ

1

Под заказ

уточнить

Купить
9 883598 Кольцо форсунки (INJECTOR O-RING KIT, Injector)

Под заказ

1

Под заказ

уточнить

Купить
10 877831A1 Трубка (HOSE)

Под заказ

1

Под заказ

уточнить

Купить
11 877831A03 THROTTLE BODY

Под заказ

1

Под заказ

уточнить

Купить
12 8M0000578 SCREW, Adjustment

Под заказ

1

Под заказ

уточнить

Купить
13 8M0125617 Датчик (SENSOR)

Под заказ

1

Под заказ

уточнить

Купить
14 881060 SCREW

Под заказ

2

Под заказ

уточнить

Купить
15 854445 Датчик давления (SENSOR (MAP))

Под заказ

1

Под заказ

уточнить

Купить
16 889575 Датчик температуры (+SENSOR-TEMP.)

Под заказ

1

Под заказ

уточнить

Купить
17 627021 Уплотнительное кольцо (O RING)

Под заказ

1

Под заказ

уточнить

Купить
18 879867 GASKET

Под заказ

1

Под заказ

уточнить

Купить
19 65292 J CLIP

Под заказ

1

Под заказ

уточнить

Купить
20 8248326 Болт (SCREW)

Под заказ

6

Под заказ

уточнить

Купить
21 8M0012378 HOSE ASSEMBLY, Breather

Под заказ

1

Под заказ

уточнить

Купить
22 8M0007495 RETAINER

Под заказ

1

Под заказ

уточнить

Купить
23 8214281 Болт (SCREW, (#10-16 x .625))

Под заказ

1

Под заказ

уточнить

Купить
24 893521 Ослабитель (ATTENUATOR)

Под заказ

1

Под заказ

уточнить

Купить
25 899145 CLIP, Tie Strap

Под заказ

1

Под заказ

уточнить

Купить
26 8831481 RESTRICTOR

Под заказ

1

Под заказ

уточнить

Купить
27 859352A02 Набор прокладок (GASKET SET)

Под заказ

1

Под заказ

уточнить

Купить

Нулевая цена не означает отсутствие товара. Оформите заказ, и менеджер сообщит вам цену и наличие товара, предварительно запросив их у поставщика

Главная Магазины
Корзина0
Профиль