Мы используем cookie для наилучшего представления нашего сайта. Подробнее об этом в Политике конфиденциальности.
Ок

Хасавюрт

Ваш город:
Хасавюрт (Республика Дагестан)?
Нет
Да
Каталог
Каталог Написать в WhatsApp
Мотоэкипировка

Катушка зажигания, 1C104334/0P560350 и выше 4-Х ТАКТНОГО ПЛМ MERCURY 40 Серийный номер от 1C049739 и выше

Катушка зажигания, 1C104334/0P560350 и выше 4-Х ТАКТНОГО ПЛМ MERCURY 40 Серийный номер от 1C049739 и выше в Хасавюрте: актуальный каталог, цены, фото, описание. Купите катушка зажигания, 1c104334/0p560350 и выше 4-х тактного плм mercury 40 серийный номер от 1c049739 и выше в кредит – оформите заявку онлайн за 1 минуту!

Оригинальные запчасти

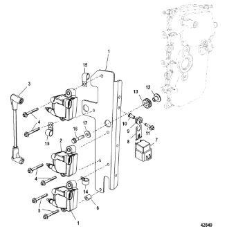
Артикул НАИМЕНОВАНИЕ Кол-во деталей в узле Примечание Наличие Цена Аналоги Фото
1 8M0044992 COIL PLATE

Под заказ

1

Под заказ

уточнить

Купить
2 8M0045124 Катушка F40-3cyl новые-G3 (COIL, Ignition)

Под заказ

3

Под заказ

уточнить

Купить
3 881908T Бронепровода (CABLE SET)

Под заказ

1

Под заказ

уточнить

Купить
4 82129140 Болт М6х40 (SCREW)

Под заказ

2

Под заказ

уточнить

Купить
5 892863001 SPACER

Под заказ

1

Под заказ

уточнить

Купить
6 882751A1 Реле (RELAY ASSY-TRIM )

Под заказ

1

Под заказ

уточнить

Купить
7 828102 BRACKET, Mounting

Под заказ

1

Под заказ

уточнить

Купить
8 818967 Уплотнитель (GROMMET)

Под заказ

1

Под заказ

уточнить

Купить
9 818968 Втулка (BUSHING)

Под заказ

1

Под заказ

уточнить

Купить
10 82129125 Болт (SCREW)

Под заказ

1

Под заказ

уточнить

Купить
11 856954 Втулка (BUSHING)

Под заказ

3

Под заказ

уточнить

Купить
12 834985 Втулка (GROMMET)

Под заказ

3

Под заказ

уточнить

Купить
13 65292 J CLIP

Под заказ

1

Под заказ

уточнить

Купить
14 8M0024807 CLIP

Под заказ

2

Под заказ

уточнить

Купить
15 82684425 SCREW, (M6 x 25)

Под заказ

3

Под заказ

уточнить

Купить
16 4002316 Шайба (WASHER@5)

Под заказ

3

Под заказ

уточнить

Купить

Нулевая цена не означает отсутствие товара. Оформите заказ, и менеджер сообщит вам цену и наличие товара, предварительно запросив их у поставщика

Главная Магазины
Корзина0
Профиль