Мы используем cookie для наилучшего представления нашего сайта. Подробнее об этом в Политике конфиденциальности.
Ок

Хасавюрт

Ваш город:
Хасавюрт (Республика Дагестан)?
Нет
Да
Каталог
Каталог Написать в WhatsApp
Мотоэкипировка

Система гидроподъема 4-Х ТАКТНОГО ПЛМ MERCURY 80 Серийный номер от 1B366823 и выше

Система гидроподъема 4-Х ТАКТНОГО ПЛМ MERCURY 80 Серийный номер от 1B366823 и выше в Хасавюрте: актуальный каталог, цены, фото, описание. Купите система гидроподъема 4-х тактного плм mercury 80 серийный номер от 1b366823 и выше в кредит – оформите заявку онлайн за 1 минуту!

Оригинальные запчасти

Артикул НАИМЕНОВАНИЕ Кол-во деталей в узле Примечание Наличие Цена Аналоги Фото
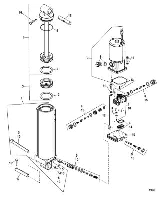
1 8M0090335 Система гидроподъема в сборе (POWER TRIM ASSY)

Под заказ

1

Под заказ

уточнить

Купить
2 8M0089942 Шток гидроцилиндра (SHOCK ROD KIT)

Под заказ

1

Под заказ

уточнить

Купить
3 893902A01 Набор уплотнительных колец (O RING KIT)

Под заказ

1

Под заказ

уточнить

Купить
4 810776A1 Клапан поршня устройства гидроподъема двигателя

Под заказ

1

Под заказ

уточнить

Купить
5 893916A01 Цилиндр устройства гидроподъема двигателя

Под заказ

1

Под заказ

уточнить

Купить
6 893905A02 VALVE KIT

Под заказ

1

Под заказ

уточнить

Купить
7 893906A02 Ремкомплект гидроцилиндра (PUMP ASSEMBLY)

Под заказ

1

Под заказ

уточнить

Купить
8 893907A02 Электродвигатель системы гидроподъема (MOTOR KIT)

Под заказ

1

Под заказ

уточнить

Купить
9 8134351 Пробка (PLUG)

Под заказ

1

Под заказ

уточнить

Купить
10 893929A01 Клапан (VALVE KIT-RELIEF)

Под заказ

1

Под заказ

уточнить

Купить
11 893909A02 Распределительная коробка (MANIFOLD KIT)

Под заказ

1

Под заказ

уточнить

Купить
12 809876A1 Болт (SCREW KIT)

Под заказ

1

Под заказ

уточнить

Купить
13 88238A18 Провод (CABLE ASSEMBLY)

Под заказ

1

Под заказ

уточнить

Купить
14 809877A1 Уплотнители гидроцилиндра (DRIVESHAFT/SEAL KIT)

Под заказ

1

Под заказ

уточнить

Купить
15 893912A02 FILTER KIT

Под заказ

1

Под заказ

уточнить

Купить
16 893913A02 Ремкомплект помпы гидроцилиндра (POPPET KIT)

Под заказ

1

Под заказ

уточнить

Купить
17 893914A02 O-RING KIT

Под заказ

1

Под заказ

уточнить

Купить
18 821539 Шпонка (PIN-TRILOBE)

Под заказ

2

Под заказ

уточнить

Купить
19 818898 Штифт крепления гидроцил. нижн.75-125(PIN, Anchor)

Под заказ

1

Под заказ

уточнить

Купить
20 99625002 Штифт (SHAFT-UPPER TILT)

Под заказ

1

Под заказ

уточнить

Купить

Нулевая цена не означает отсутствие товара. Оформите заказ, и менеджер сообщит вам цену и наличие товара, предварительно запросив их у поставщика

Главная Магазины
Корзина0
Профиль